Loadcell SQB Keli là sản phẩm dùng cho hệ thống cân điện tử và có mức tải trọng đa dạng, từ 250kg - 10 tấn. Thiết bị được Tân Phát nhập khẩu chính hãng từ thương hiệu Keli nên vừa có chất lượng tốt vừa có giá bán vô cùng phải chăng.
Để biết chi tiết hơn về dòng cảm biến lực bán chạy này, mời quý khách hàng cùng dõi đọc các phần thông tin dưới đây.
NỘI DUNG CHÍNH
|
1. Tính năng nổi bật của cảm biến lực SQB |
Loadcell SQB Keli là loại cảm biến lực dạng thanh được sử dụng phổ biến nhất hiện nay trong các hệ thống cân điện tử. Dòng cảm biến loadcell này có nhiều ưu điểm nổi bật, bao gồm:
Với những ưu điểm nổi bật trên, cảm biến lực SQB của Keli là lựa chọn lý tưởng cho các hệ thống cân điện tử, đặc biệt là các hệ thống cân bàn, cân sàn điện tử, cân băng tải, cân đóng bao,...
| Tên thông số kỹ thuật | Giá trị |
| Model | SQB |
| Hãng sản xuất | Keli |
| Nhà cung cấp | Tân Phát |
| Bảo hành | 12 tháng |
| Tải trọng | 250kg, 300kg, 400kg, 500kg,...1 tấn, 2 tấn, 10 tấn |
| Cấp chính xác | C2~C5 |
| Giá trị xác minh nhỏ nhất | Emax/10000 |
| Khoảng quy mô xác minh tối đa | 3000 |
| Độ nhạy điện áp xuất | 2.0±0.002 (0.25~0.3t), 3.0±0.003 (0.5~10t) |
| Tổng trở đầu vào | 400 ± 20 |
| Tổng trở đầu ra | 352 ± 3 |
| Điện trở cách ly | ≥5000 (50VDC) |
| Nhiệt độ ảnh hưởng đến vùng Zero | ±0.02 |
| Nhiệt độ ảnh hưởng đến đầu ra | ±0.02 |
| Nhiệt độ bù | -10 ~ +40 |
| Nhiệt độ hoạt động | -35 ~ +70 |
| Điện áp cấp khuyến nghị | 8 ~ 15 (DC) |
| Điện áp cấp tối đa | 18 (DC) |
*Màu dây đấu nối với dây màu Đen:
|
Nguồn dương (Ex+) |
Nguồn âm (Ex-) |
Tín hiệu dương (Sig+) |
Tín hiệu âm (Sig-) |
Trống nhiễu (Shield) |
| Đỏ | Đen | Xanh | Trắng | Đen |
*Màu dây đấu nối với dây màu Cam:
|
Nguồn dương (Ex+) |
Nguồn âm (Ex-) |
Tín hiệu dương (Sig+) |
Tín hiệu âm (Sig-) |
Trống nhiễu (Shield) |
| Xanh | Đen | Trắng | Đỏ | Đen |

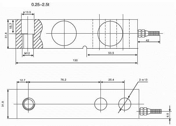
Bản vẽ giấy và các thông số kỹ thuật tương ứng của cảm biến lực SQB Keli

Hình chụp thực tế cảm biến cân ô tô SQB do Tân Phát nhập khẩu và vận chuyển trực tiếp về Việt Nam.
THAM KHẢO:
Loadcell SQB là sản phẩm chính hãng đến từ thương hiệu sản xuất Keli và có giá bán ra thị trường tùy thuộc vào mức chịu tải, khả năng đo lường khối lượng. Tân Phát tự hào là đơn vị nhập khẩu và phân phối chính hãng thiết bị trên toàn quốc:
Quý khách hàng muốn đặt mua cảm biến loadcell SQB hoặc cần tư vấn, báo giá chi tiết, vui lòng liên hệ trực tiếp qua:
CÔNG TY CỔ PHẦN CÔNG NGHỆ TỰ ĐỘNG TÂN PHÁT
Địa chỉ: Vị trí 32, Liền kề 4, KĐT Đại Thanh, Tả Thanh Oai, Thanh Trì, Hà Nội
Hotline: 0921 966 866
Email: tanphat.top@gmail.com
Website: tanphat.top
- Bảo hành sản phẩm được hiểu là việc khắc phục những lỗi hỏng hóc, sự cố kỹ thuật xảy ra do lỗi của nhà sản xuất.
- Công ty Cổ phần Công nghệ Tự động Tân Phát chịu trách nhiệm sửa chữa, thay thế miễn phí linh kiện thiết bị trong thời gian bảo hành.
2. THỜI HẠN BẢO HÀNH
- Hầu hết các sản phẩm của Công ty Cổ phần Công nghệ Tự động Tân Phát đều có thời gian bảo hành từ 12-24 tháng theo quy định chung của các nhà sản xuất. Ngoài ra tùy theo điều kiện thỏa thuận trong hợp đồng, một số sản phẩm có thể có thời gian bảo hành dài hơn.
- Thời gian bảo hành chính thức là thời gian được ghi trên phiếu bảo hành (đi kèm với sản phẩm được bán ra) hoặc theo hợp đồng giữa hai bên.
- Sản phẩm được bảo hành miễn phí trong thời hạn ghi trên phiếu, tem bảo hành và theo quy định của từng hãng sản xuất liên quan đến tất cả các sự cố về mặt kỹ thuật.
3. ĐỊA ĐIỂM BẢO HÀNH
- Địa điểm bảo hành với những sản phẩm: Dock Leveler -sàn nâng thủy lực, Bàn nâng thủy lực, thang nâng hàng, cầu dẫn xe nâng, cân ô tô,... sẽ được thực hiện tại nơi được Tân Phát thực hiện lắp đặt.
- Địa điểm bảo hành với hầu hết các sản phẩm (ngoại trừ sàn nâng thủy lực, trạm cân điện tử, cân hệ thống trong nhà máy, cầu dẫn xe nâng) là tại trụ sở của Công ty Cổ phần Công nghệ Tự động Tân Phát.
Địa chỉ: Vị trí 32, liền kề 4, khu đô thị Đại Thanh, Tả Thanh Oai, Thanh Trì, Hà Nội.
- Khi có bất cứ trục trặc gì về sản phẩm, quý khách vui lòng thông báo cho chúng tôi qua Hotline: 0921 966 866. Chúng tôi sẽ tiếp nhận và chuyển giao bên kỹ thuật để kiểm tra, xử lý sớm nhất có thể.
- Nếu thời điểm thông báo của Quý khách ngoài giờ làm việc, chúng tôi sẽ chuyển thông tin này đến đầu giờ làm việc hôm sau để xử lý.
- Trong vòng 48 giờ kể từ khi nhận thông tin, chúng tôi sẽ đưa ra phương án kiểm tra, sửa chữa hay xác định lỗi và có phương án xử lý kịp thời.
Trường hợp nếu không khắc phục được sự cố ngay mà phải gửi sản phẩm, thiết bị cần bảo hành đến Công ty Cổ phần Công nghệ Tự động Tân Phát, chúng tôi sẽ cố gắng tìm cách tối ưu nhất cho quý khách hàng.
Lưu ý rằng: Chính sách bảo hành không bao gồm cước vận chuyển hàng và giao hàng.
4. NHỮNG TRƯỜNG HỢP NGOÀI PHẠM VI BẢO HÀNH
- Sản phẩm đã hết thời hạn bảo hành, làm rách tem bảo hành sản phẩm.
- Số mã vạch, số serial trên sản phẩm không xác định được hoặc sai so với phiếu bảo hành.
- Sử dụng sàn nâng, cân, cầu dẫn, thiết bị sai mục đích và sai điện áp quy định của nhà sản xuất (quá tải, sai tần số khi sử dụng máy phát, quá điện áp,…).
- Hư hỏng do tai nạn, tác động cơ học (rơi vỡ, làm bể, phá hoại, biến dạng sản phẩm, ẩm ướt, hoen rỉ, chảy nước,…)
- Do thiên tai; sét đánh, ngập nước, hỏa hoạn,...
- Tự ý tháo dỡ, sửa chữa, tự ý can thiệp vào thiết bị bởi các cá nhân hoặc kỹ thuật viên không phải là nhân viên của Công ty Cổ phần Công nghệ Tự động Tân Phát.
Áp dụng đối với các trường hợp như sau:
- Khi Quý khách kiểm tra và xác định rằng sản phẩm chúng tôi giao không đúng với đơn đặt ban dầu, hãy liên hệ trong vòng 7 ngày kể từ thời điểm nhận hàng. Chúng tôi sẽ tiếp nhận thông tin và tiến hành kiểm tra lại. Trong trường hợp sản phẩm bị gửi nhầm, vui lòng lựa chọn trả lại hàng.
- Sau đó, công ty sẽ gửi lại sản phẩm thay thế đúng mặt hàng quý khách yêu cầu (Phí vận chuyển gửi trả hàng sẽ do chúng tôi chi trả).
- Quý khách vui lòng kiểm tra và quay video trong quá trình nhận/bóc đơn hàng. Với trường hợp hàng bị hư hại khi vận chuyển, quý khách có thể từ chối nhận và gửi trả lại hàng, đồng thời thông báo cho Trung tâm hỗ trợ theo hotline 0921.966.866. Chúng tôi sẽ gửi cho quý khách mặt hàng thay thế và chịu trách nhiệm về chi phí đổi trả.
- Các sản phẩm, thiết bị bán ra trong vòng 07 ngày, nếu bị lỗi kỹ thuật do sản phẩm (không thể khắc phục được ngay, có xác nhận của kỹ thuật) thì sẽ được đổi sản phẩm mới cùng loại theo điều kiện đổi hàng dưới đây:
+ Không vi phạm các điều kiện bảo hành hay lỗi hình thức như trầy, xước, móp méo, ố vàng, mờ chữ, nứt, vỡ, viết chữ không tẩy được…
+ Đầy đủ bao bì, hộp xốp, catalogue, linh phụ kiện, vật phẩm tặng kèm (nếu có), chứng từ, Hóa đơn mua hàng, Phiếu bảo hành….
+ Trường hợp không đủ các điều kiện trên thì quyền quyết định đổi hàng thuộc về Tân Phát chúng tôi.
- Sau thời gian 1 tuần kể từ khi nhận hàng hoặc những trường hợp không đủ điều kiện đổi hàng thì tất cả các sản phẩm sẽ được bảo hành theo những quy định, chính sách chung của Công ty Cổ phần Công nghệ Tự động Tân Phát.
III. LIÊN HỆ, THẮC MẮC, KHIẾU NẠI, HỖ TRỢ VỀ BẢO HÀNH, ĐỔI TRẢ SẢN PHẨM
- Nếu Quý khách chưa thấy hài lòng hoặc có thắc mắc khiếu nại gì về vấn đề bảo hành, xin vui lòng gọi theo số HOTLINE: 0921 966 866 hoặc gửi email tới địa chỉ: tanphat.top@gmail.com
Trân trọng cảm ơn!
Đánh giá của khách hàng về sản phẩm: