Loadcell 0782 Mettler Toledo là dòng cảm biến lực có độ chính xác cao và được sử dụng chủ yếu trong các hệ thống cân ô tô, cân bồn hay hoạt động đo lường công nghiệp khác. Để biết chi tiết hơn về thông số kỹ thuật, hình ảnh thực tế và báo giá của thiết bị, mời Quý khách hàng cùng dõi theo bài viết dưới đây.
Nội dung chính
Cảm biến lực loadcell 0782 Mettler Toledo là một loại cảm biến được sử dụng rộng rãi trong các hệ thống cân công nghiệp, đặc biệt là cân ô tô, cân xe tải, cân bồn và các ứng dụng đo lường khác yêu cầu độ chính xác cao và khả năng chịu tải lớn. Dưới đây là một số tính năng nổi bật của thiết bị:
Ngoài những tính năng trên, loadcell Mettler Toledo còn có một số ưu điểm khác như:
| Tên thông số kỹ thuật | Giá trị |
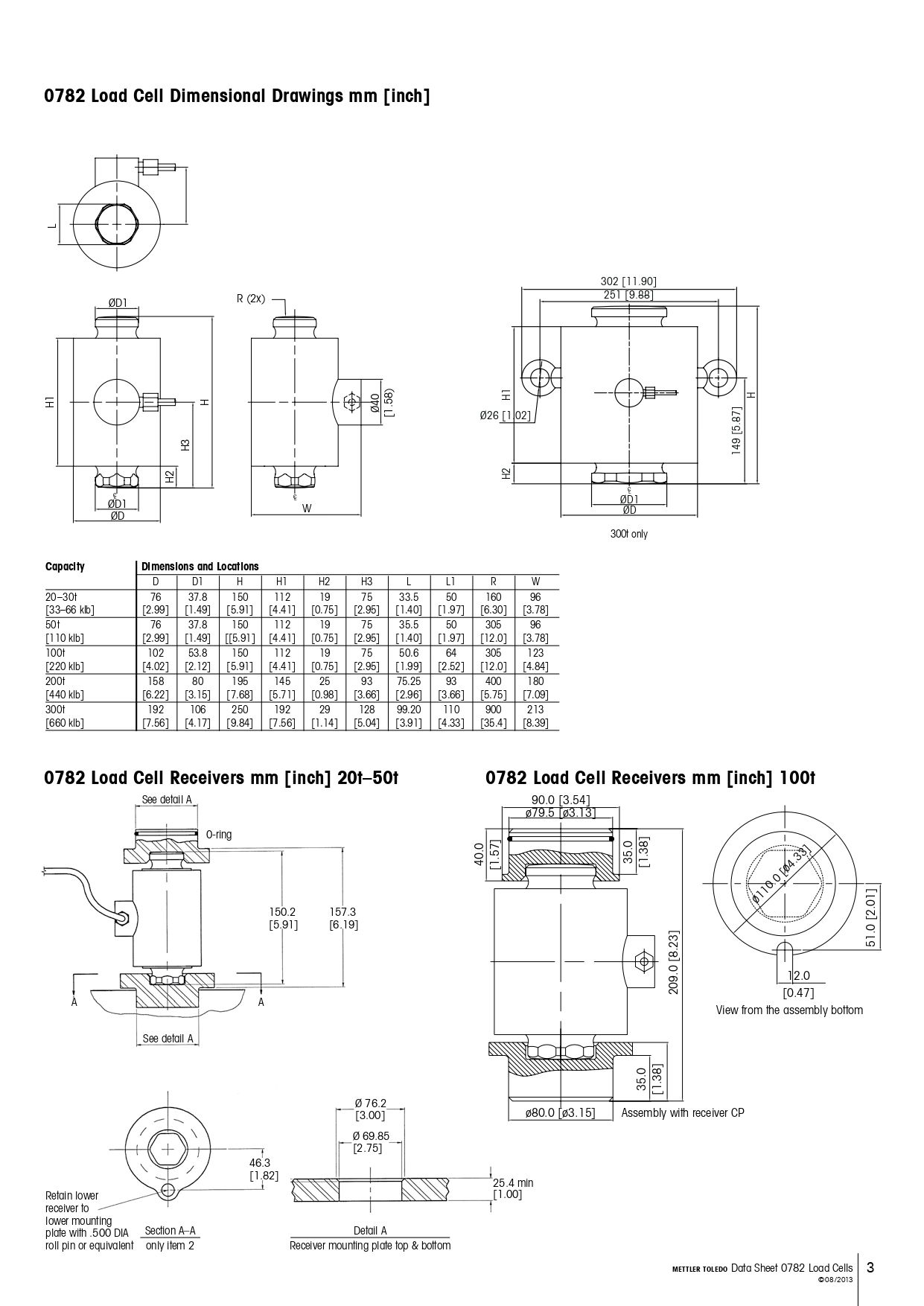
| Model | 0782 |
| Mức đo tải trọng | 20 tấn, 30 tấn, 50 tấn, 200 tấn, 300 tấn |
| Chứng chỉ | OIML R60 C3, NTEP 10000, ATEX |
| Độ nhạy đầu ra | 2±0.1% mV/V |
| Phạm vi nhiệt độ hoạt động | -40˚C đến 65˚C (-40˚C đến 150˚C) |
| Điện trở đầu vào | 1160±10Ω (20T-100T), 1160±15Ω (200T-300T) |
| Điện trở đầu ra | 1000±3Ω |
| Điện trở cách điện | ≥ 5000MΩ (>500VAC) |
| Quá tải an toàn | 125% R.C |
| Quá tải phá hủy | 300% R.C |
| Điện áp kích thích | 5-15V (AC/DC) |
| Điện áp max | 20V (AC/DC) |
| Vật liệu chế tạo | Stainless Steel |
| Cấp bảo vệ | IP68 |
| Chiều dài dây tín hiệu | 13m (20T-100T), 20m (200T), 30m (300T) |
| Bảo hành | 12 tháng |

Loadcell có đầy đủ phụ kiện, dây dẫn tín hiệu và giấy bảo hành theo kèm

Tổng hợp hình vẽ kỹ thuật và thông số chi tiết cảm biến lực 0782

Hình ảnh 1

Hình ảnh 2

Hình ảnh 3
CTCP Công nghệ Tự động Tân Phát là đơn vị nhập khẩu chính hãng cảm biến lực 0782 của Mettler Toledo và báo giá cực tốt trên thị trường. Các dòng cảm biến loadcell đều đầy đủ hóa đơn, CO, CQ để chứng minh nguồn gốc xuất xứ và độ chính xác trong đo lường.
Công ty luôn nhận được sự tin tưởng và ủng hộ dài lâu của Quý khách hàng nhờ chính sacash, dịch vụ uy tín sau:
Tham khảo:
Vậy khách hàng đang có nhu cầu tìm hiểu về giá hoặc đặt mua loadcell 0782 Mettler Toledo tại Tân Phát, vui lòng liên hệ:
CÔNG TY CỔ PHẦN CÔNG NGHỆ TỰ ĐỘNG TÂN PHÁT
Địa chỉ: Vị trí 32, Liền kề 4, KĐT Đại Thanh, Tả Thanh Oai, Thanh Trì, Hà Nội
Hotline: 0921 966 866
Email: tanphat.top@gmail.com
Website: tanphat.top
- Bảo hành sản phẩm được hiểu là việc khắc phục những lỗi hỏng hóc, sự cố kỹ thuật xảy ra do lỗi của nhà sản xuất.
- Công ty Cổ phần Công nghệ Tự động Tân Phát chịu trách nhiệm sửa chữa, thay thế miễn phí linh kiện thiết bị trong thời gian bảo hành.
2. THỜI HẠN BẢO HÀNH
- Hầu hết các sản phẩm của Công ty Cổ phần Công nghệ Tự động Tân Phát đều có thời gian bảo hành từ 12-24 tháng theo quy định chung của các nhà sản xuất. Ngoài ra tùy theo điều kiện thỏa thuận trong hợp đồng, một số sản phẩm có thể có thời gian bảo hành dài hơn.
- Thời gian bảo hành chính thức là thời gian được ghi trên phiếu bảo hành (đi kèm với sản phẩm được bán ra) hoặc theo hợp đồng giữa hai bên.
- Sản phẩm được bảo hành miễn phí trong thời hạn ghi trên phiếu, tem bảo hành và theo quy định của từng hãng sản xuất liên quan đến tất cả các sự cố về mặt kỹ thuật.
3. ĐỊA ĐIỂM BẢO HÀNH
- Địa điểm bảo hành với những sản phẩm: Dock Leveler -sàn nâng thủy lực, Bàn nâng thủy lực, thang nâng hàng, cầu dẫn xe nâng, cân ô tô,... sẽ được thực hiện tại nơi được Tân Phát thực hiện lắp đặt.
- Địa điểm bảo hành với hầu hết các sản phẩm (ngoại trừ sàn nâng thủy lực, trạm cân điện tử, cân hệ thống trong nhà máy, cầu dẫn xe nâng) là tại trụ sở của Công ty Cổ phần Công nghệ Tự động Tân Phát.
Địa chỉ: Vị trí 32, liền kề 4, khu đô thị Đại Thanh, Tả Thanh Oai, Thanh Trì, Hà Nội.
- Khi có bất cứ trục trặc gì về sản phẩm, quý khách vui lòng thông báo cho chúng tôi qua Hotline: 0921 966 866. Chúng tôi sẽ tiếp nhận và chuyển giao bên kỹ thuật để kiểm tra, xử lý sớm nhất có thể.
- Nếu thời điểm thông báo của Quý khách ngoài giờ làm việc, chúng tôi sẽ chuyển thông tin này đến đầu giờ làm việc hôm sau để xử lý.
- Trong vòng 48 giờ kể từ khi nhận thông tin, chúng tôi sẽ đưa ra phương án kiểm tra, sửa chữa hay xác định lỗi và có phương án xử lý kịp thời.
Trường hợp nếu không khắc phục được sự cố ngay mà phải gửi sản phẩm, thiết bị cần bảo hành đến Công ty Cổ phần Công nghệ Tự động Tân Phát, chúng tôi sẽ cố gắng tìm cách tối ưu nhất cho quý khách hàng.
Lưu ý rằng: Chính sách bảo hành không bao gồm cước vận chuyển hàng và giao hàng.
4. NHỮNG TRƯỜNG HỢP NGOÀI PHẠM VI BẢO HÀNH
- Sản phẩm đã hết thời hạn bảo hành, làm rách tem bảo hành sản phẩm.
- Số mã vạch, số serial trên sản phẩm không xác định được hoặc sai so với phiếu bảo hành.
- Sử dụng sàn nâng, cân, cầu dẫn, thiết bị sai mục đích và sai điện áp quy định của nhà sản xuất (quá tải, sai tần số khi sử dụng máy phát, quá điện áp,…).
- Hư hỏng do tai nạn, tác động cơ học (rơi vỡ, làm bể, phá hoại, biến dạng sản phẩm, ẩm ướt, hoen rỉ, chảy nước,…)
- Do thiên tai; sét đánh, ngập nước, hỏa hoạn,...
- Tự ý tháo dỡ, sửa chữa, tự ý can thiệp vào thiết bị bởi các cá nhân hoặc kỹ thuật viên không phải là nhân viên của Công ty Cổ phần Công nghệ Tự động Tân Phát.
Áp dụng đối với các trường hợp như sau:
- Khi Quý khách kiểm tra và xác định rằng sản phẩm chúng tôi giao không đúng với đơn đặt ban dầu, hãy liên hệ trong vòng 7 ngày kể từ thời điểm nhận hàng. Chúng tôi sẽ tiếp nhận thông tin và tiến hành kiểm tra lại. Trong trường hợp sản phẩm bị gửi nhầm, vui lòng lựa chọn trả lại hàng.
- Sau đó, công ty sẽ gửi lại sản phẩm thay thế đúng mặt hàng quý khách yêu cầu (Phí vận chuyển gửi trả hàng sẽ do chúng tôi chi trả).
- Quý khách vui lòng kiểm tra và quay video trong quá trình nhận/bóc đơn hàng. Với trường hợp hàng bị hư hại khi vận chuyển, quý khách có thể từ chối nhận và gửi trả lại hàng, đồng thời thông báo cho Trung tâm hỗ trợ theo hotline 0921.966.866. Chúng tôi sẽ gửi cho quý khách mặt hàng thay thế và chịu trách nhiệm về chi phí đổi trả.
- Các sản phẩm, thiết bị bán ra trong vòng 07 ngày, nếu bị lỗi kỹ thuật do sản phẩm (không thể khắc phục được ngay, có xác nhận của kỹ thuật) thì sẽ được đổi sản phẩm mới cùng loại theo điều kiện đổi hàng dưới đây:
+ Không vi phạm các điều kiện bảo hành hay lỗi hình thức như trầy, xước, móp méo, ố vàng, mờ chữ, nứt, vỡ, viết chữ không tẩy được…
+ Đầy đủ bao bì, hộp xốp, catalogue, linh phụ kiện, vật phẩm tặng kèm (nếu có), chứng từ, Hóa đơn mua hàng, Phiếu bảo hành….
+ Trường hợp không đủ các điều kiện trên thì quyền quyết định đổi hàng thuộc về Tân Phát chúng tôi.
- Sau thời gian 1 tuần kể từ khi nhận hàng hoặc những trường hợp không đủ điều kiện đổi hàng thì tất cả các sản phẩm sẽ được bảo hành theo những quy định, chính sách chung của Công ty Cổ phần Công nghệ Tự động Tân Phát.
III. LIÊN HỆ, THẮC MẮC, KHIẾU NẠI, HỖ TRỢ VỀ BẢO HÀNH, ĐỔI TRẢ SẢN PHẨM
- Nếu Quý khách chưa thấy hài lòng hoặc có thắc mắc khiếu nại gì về vấn đề bảo hành, xin vui lòng gọi theo số HOTLINE: 0921 966 866 hoặc gửi email tới địa chỉ: tanphat.top@gmail.com
Trân trọng cảm ơn!
Đánh giá của khách hàng về sản phẩm: